Prodajemo hibrid baterije za Toyotina vozila dajući garanciju istu kao Toyota.

Umesto što ćete bateriju platiti 2000e u Toyoti kod nas je možete kupiti 3 puta jeftinije a dobije istu garanciju kao što bi dobili kod njih.

hibrid baterije

A K C I J A

Prodaja pojedinačnih modula (ćelija) sa garancijom 12 meseci

ZAŠTO IZABRATI NAS

Mi nudimo samo
najkvalitetnije usluge!

hybrid battery repair machine

Najduža
garancija na
hibrid baterije

Mi dajemo istu garanciju na reparirane baterije kao Toyota na nove. Godinu dana i čak 100 000km.

hibrid baterije

Naša
firma radi
najkvalitetnije

Mi radimo najkvalitetnije što možete i sami zaključiti po našoj garanciji.

hibrid baterije

Naša
firma radi
najiskusnije

I naša firma poseduje preko 20 Toyota Prius vozila koja rade u našoj taxi kompaniji. 

hibrid baterije

Balansiranje
samo na
najbolji način

Ne samo da ujednačavamo vaše module već im podižemo kapacitet najmanje 50% do 80%.

Nudimo dve vrste usluga za hibrid baterije:

hibrid baterije

Prodajemo hibrid baterije po principu staro za novo i dajemo garanciju od čak godinu dana,
ili 100 000 predjenih kilometara po sledecim cenama:

  • Toyota Prius: 800e
  • Toyota Auris: 800e
  • Toyota Yaris: 700e
  • Toyota RAV4: 900e
  • Toyota CHR: 900e
hibrid baterije

Prodaja baterija bez menjanja starih:

  • Toyota Prius: 1100e
  • Toyota Auris: 1100e
  • Toyota Yaris: 950e

Prodajemo baterije za Toyotina vozila dajući garanciju istu kao Toyota samo 3 puta jeftinije. Tako umesto 2000e za Prius bateriju u Toyoti, kod nas je mozete dobiti za 800e.

Vršimo balansiranje ispravnih baterija gde povećavamo kapacitet baterija za minimum 60%, čistimo komplet bateriju, ventilatore, kompletan deo oko baterije, menjamo prljave, korozirane bakarne delove za nove i dajemo 6 meseci garanciju na komplet bateriju za samo 250e, ili godinu dana garancije za 450e. Pod uslovom da je baterija ispravna! Tako da ukoliko ste presli 200 000km a baterija je i dalje ispravna, dodjite i produzite joj vek trajanja i smanjite potrošnju na automobilu.

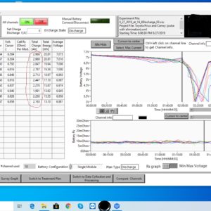
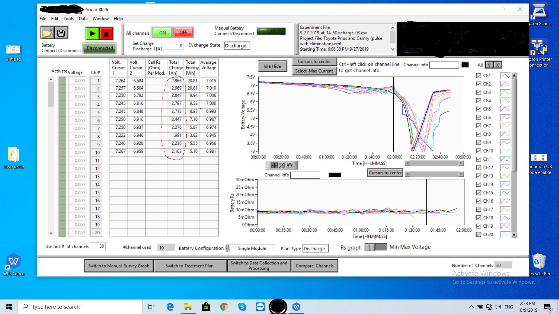
Ovde su crvenim krugom označeni kapaciteti modula pre balansiranja i na drugoj slici posle balansiranja.

Verovatno da niste ni svesni u kakvom je stanju ustvari vaša baterija. Pored balansiranja čistimo bateriju, njene ventilatore i menjamo bakarne delove koji su korodirali.

Za više informacija kontaktirajte nas ovde

+381 65 5579 557 i +381 65 2217 259